안녕하세요, 이번에는 저번 포스팅에서 이야기한 것 처럼
논리 게이트에 대해서 살펴보도록 하겠습니다.
논리 게이트에는 기본적으로 아래와 같은 종류가 있으며,
각 논리게이트의 진리표(Truth Table)과 출력파형(Wave Form)에 대해서
살펴보도록 하겠습니다.
1. NOT(Inverter)
2. AND
3. OR
4. NAND
5. NOR, Exclusive-OR & Exclusive-NOR Gate
- NOT Gate



여기서 보면 NOT 게이트의 경우 입력을 반대로 바꿔주는 역할을 하는 것을 알 수 있습니다.
인풋을 뒤집어 준다고 볼 수 있는데요, 이는 1's complement에 대한 글을 보시면
응용하는 이미지에서 볼 수 있습니다.
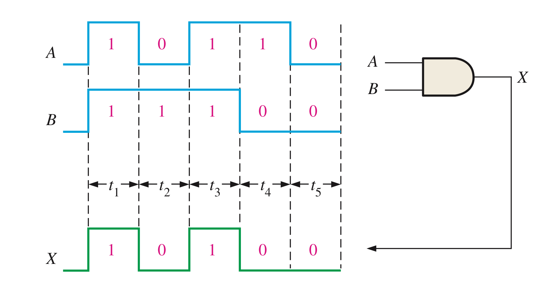
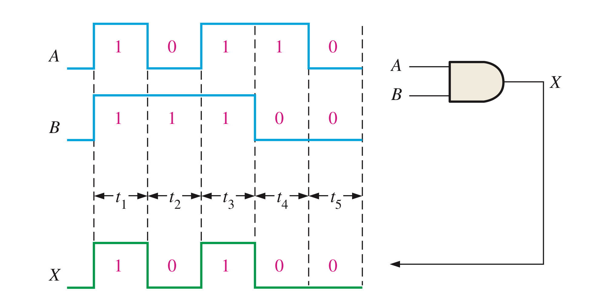
- AND Gate



AND Gate의 경우 아래와 같이 쓸 수 있습니다.
$$ X = A·B \;or \; X = AB $$
또한 AND Gate의 waveform에 대해서 보자면 아래와 같습니다.

추가적으로 게이트에 대한 2진 입력의 가능한 모든 조합의 수는 아래의 공식에 의해 결정됩니다.
$$ N = 2^{n}$$
1. 인풋이 2개인 경우 4개의 조합
2. 인풋이 3개인 경우 8개의 조합
또한 AND Gate의 경우 비트를 0 또는 1로 변경하는 경우 사용 되기도 합니다.
이를 컴퓨터 과학에서 마스크(mask) 또는 비트마스크(bitmask)라고 부르며
비트 연산에 사용되는 데이터를 의미합니다.
예를 들어보자면 다음과 같습니다.
10101011를 00001111인 마스크와 AND를 하게되면
결과는 00001011이 되게 됩니다.
자세한 내용은 맨 아래에 주소를 적어놓겠습니다.
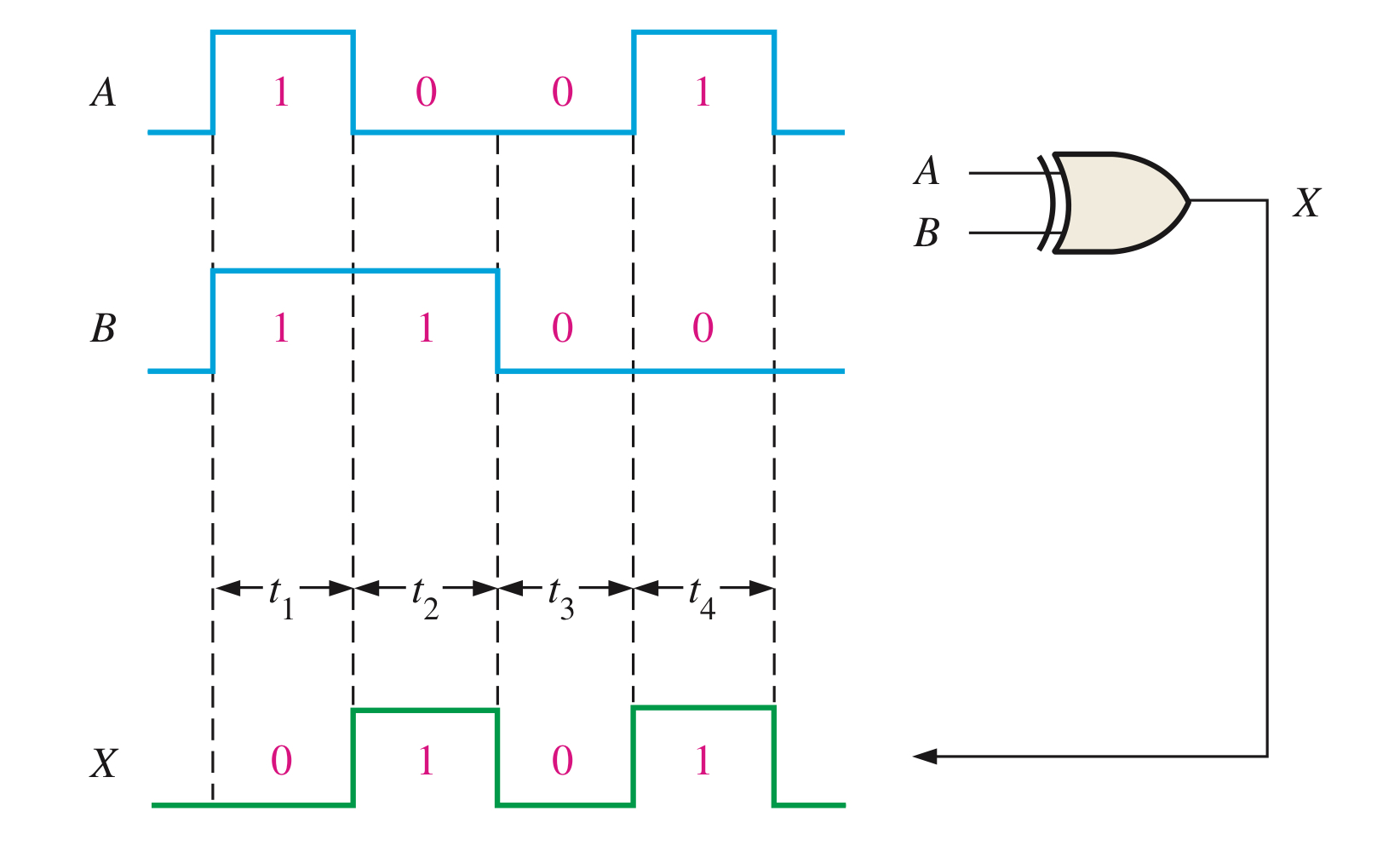
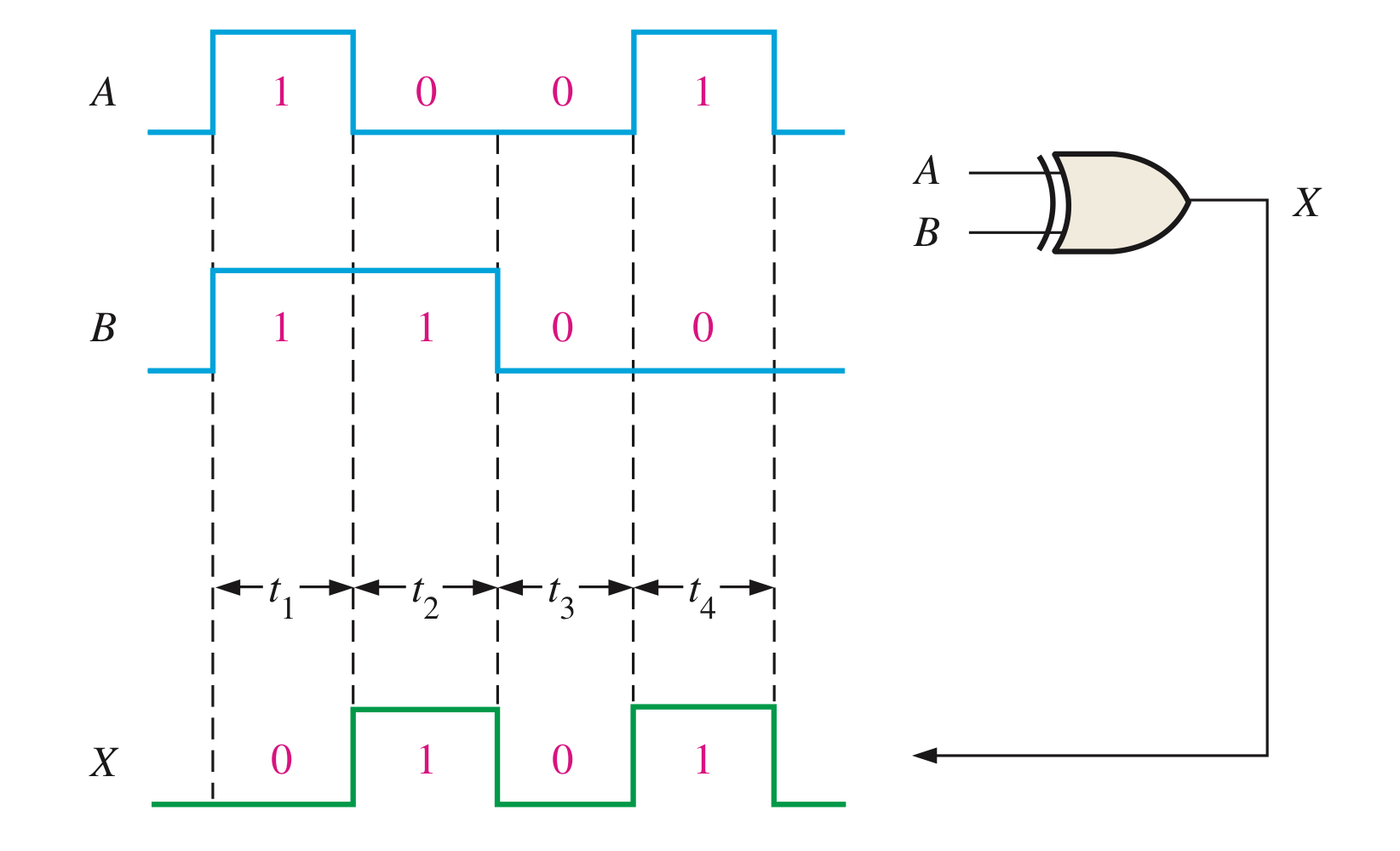
- OR Gate




OR Gate의 연산은 아래와 같습니다.
$$ X = A + B $$
여기 또한 마스크(mask)를 이용할 때 사용되기도 합니다.
자세한 것은 위에서 말한 것 처럼 맨 아래 주소를 참고해주세요.
- NAND Gate



NAND게이트의 연산은 아래와 같습니다.
$$ X = \overline{A·B} $$
또한 NAND와 같은 역할을 하는 것으로 Negative-OR이 있습니다.

또한 NAND게이트는 NOT(Inverter)으로 사용할 수 있는데 아래와 같습니다.

- NOR gate



NOR Gate의 연산은 아래와 같습니다.
$$ X = \overline{A+B} $$
또한 같은 기능을 하는 회로는 Negative-AND이 있습니다.

- XOR Gate



XOR게이트의 연산은 아래와 같습니다.
$$ X = \overline{A}B + A\overline{B} $$
위의 식은 아래와 같이 표현할 수 있습니다.
$$ X = A\oplus B $$
- XNOR Gate



XNOR게이트의 연산은 아래와 같습니다.
$$ X = AB + \overline{AB} $$
또한 위의 식은 아래와 같이 간단하게 표현할 수 있습니다.
$$ X = A \odot B $$
XNOR의 wave form을 살펴보면 아래와 같습니다.

여기까지 기본적인 논리게이트에 대해서 살펴보았습니다.
물론 도중도중 응용하는 것도 있지만 이것들은 자세히 보시면 이해하실 수 있을거라고 생각합니다.
그렇다면 추가적으로 개념과 용어에 대해서 보고 마치도록 하겠습니다.
- PLD(Progrmmable Logic Device)
PLD는 제조 후 사용자가 내부 논리 회로의 구조를 변경할 수 있는 직접회로입니다.
여기서 Programmable AND Array는 대부분의 PLD는 몇 가지 형태의 AND 배열을 사용합니다.
AND Array는 AND 게이트와 각 교차점에서 프로그래밍 가능한 링크가 있는 상호 연결 행렬로 구성됩니다.
문제와 솔루션을 통해서 예를 들자면 아래와 같습니다.

AND 배열이 위와 같은 출력이 되도록 프로그램된 것은 아래와 같습니다.

또한 PLD의 프로그램 가능한 링크에는 몇 가지 다른 처리 기술들이 사용됩니다.


왼쪽부터 세 가지는 순서대로
(a) 프로그래밍 전의 퓨즈
(b) 프로그래밍 전류
(c) 프로그래밍 후의 퓨즈 개방
그 다음 세 가지는
(a) 안티퓨즈는 프로그래밍 전에 개방되어 있다
(b) 프로그래밍 전압에 의해 절연층은 파괴되어 접촉이 만들어진다.
(c) 안티퓨즈는 프로그래밍 후에 효율적으로 단락된다.
여기서 퓨즈 기술은 프로그래밍은 아직도 일부 SPLD에서 사용됩니다.
퓨즈는 매트릭스 상호 연결에서 행과 열을 연결하는 금속링크로 전류를 흘려 개방되고 연결이 끊어지게 합니다.
그리고 남아있는 금속링크는 그대로 남아있으며 연결을 제공하고 있습니다.
퓨즈 기술을 사용하면 한 번 프로그램이 가능한 소자입니다.
안티퓨즈 기술은 퓨즈 기술과는 반대로 연결을 끊는 대신에프로그램 하는 동안에 퓨즈가 연결됩니다.
안티퓨즈 기술은 프로그래밍 전에는 매트릭스 상호연결에서 행과 열 사이에 아무 연결도 없습니다.
안티퓨즈에 충분한 전압을 공급하여 절연체가 저-저항 링크가 되도록 합니다.
이 소자 또한 한 번 프로그램이 가능하다는 특성을 가지고 있습니다.
- Fixed Function Logic
고정 기능 논리(FFL, Fixed Function Logic)은 프로그래밍 가능한 논리 디바이스와는
달리 사전에 정의된 논리 기능을 수행하는 논리 회로입니다.
이러한 논리 회로는 일반적으로 논리 게이트, 멀티플렉서, 디코더 등의
기본 논리 구성 요소를 사용하여 특정한 논리 기능을 구현합니다.
FFL은 사용자가 하드웨어를 직접 디자인할 필요없이 미리 정의된 논리 기능을 사용할 수 있도록 합니다.
이에 대한 예시로 카운터, 레지스터, 산술 논리 장치 등이 있습니다.
지금까지 논리 게이트에 대해서 배워 봤습니다.
또한 추가적으로 프로그램 가능한 설계 가능 논리 소자와
고정 기능 논리 소자에 대해서 간단한 배워봤습니다.
다음에 시간이 된다면 PLD와 FFL에 대해서
자세히 알아보도록 하겠습니다.
논리게이트는 아무래도 기능을 외우는 수 밖에 없다보니
아무래도 글이 조금 딱딱해진 감이 없잖아 있는 것 같네요.
그래도 자주 보다보면 이해가 가실 것이라고 생각합니다.
감사합니다.
- 마스크(mask)
https://ko.wikipedia.org/wiki/%EB%A7%88%EC%8A%A4%ED%81%AC_(%EC%BB%B4%ED%93%A8%ED%8C%85)
마스크 (컴퓨팅) - 위키백과, 우리 모두의 백과사전
위키백과, 우리 모두의 백과사전. 컴퓨터 과학에서 마스크(mask) 또는 비트마스크(bitmask)는 특히 비트 필드에서 비트 연산에 사용되는 데이터이다. 마스크를 사용하면 바이트, 니블, 워드 등의 다
ko.wikipedia.org
'전자전기공학 > 디지털논리회로' 카테고리의 다른 글
| [Digital Logic #5][SOP/POS/Karnaugh Map] (2) | 2024.02.28 |
|---|---|
| [Digital Logic #4][부울대수(불대수)] (2) | 2024.02.27 |
| [Digital Logic #2][보수와 부동소수 표현] (0) | 2024.02.20 |
| [Digital Logic #1-1][진법변환] (2) | 2024.02.19 |
| [Digital Logic #1][수의 표현(진법/변환/연산)] (2) | 2024.02.16 |